医療方面製品

その他自社開発製品
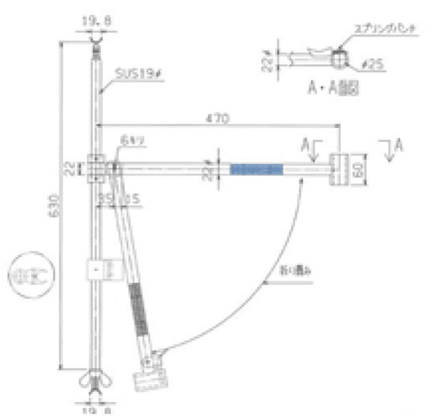
国立呉医療センター様と医工連携で開発した装置です。 看護師一人で点滴されている患者様を車イスで、安心安全に移動するための補助具です。
類似品は有りますが、全く違う機構で安心安全を高い次元で担保します。
AIBOU プロモーションビデオ
点滴スタンドと車椅子をつなぐ


AIBOU

3ヶ所留めるだけで簡単装着


HOSPEX2017 (医療福祉機器展) 国際展示場 (ビッグサイト) に出展


展示会データ




その他舶用製品
成15年には呉地域医療サポート機器研究会にも参加、平成17年には顕微鏡手術補助装置、自在アームレスト「ピタブレーン」の商品化を行い現在、関東地区、四国地区、中国地区の脳外科の執刀医の手術をサポートしています。